Ett felaktigt e-postadress, användarnamn eller lösenord har angetts. Du kan logga in med ditt användarnamn i stället för e-postadress om detta fel uppstår igen.
Din inköpslista är tom
Upptäck den senaste tekniken med Refra Mini Eco2 Booster-aggregat.
Aggregat för kyl-och frysapplikationer. Luftkylt eller vattenkylt.
Komplett sortiment för CO2
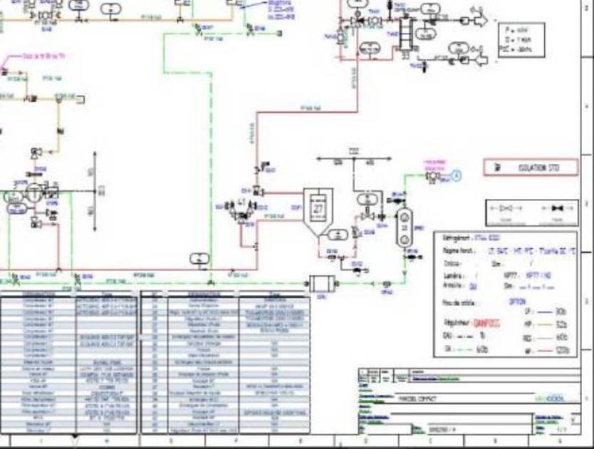
Flödesschema MINICO2OL compact med tillbehör
Flödesschema MINICO2OL compact utan tillbehör
Färdiga paket för kyl- och frysanläggningar
Översikt av aggregat
Javascript är avstängt i din webbläsare. För full funktionalitet rekommenderar vi att du slår på Javascript