Feedback
Gängfläns i stål, S235JRG2. Standard EN 1092-1. Mått i mm.
- Artikelnummer: 1420496
- Lev. artikelnr: 000881013
- Materialklass PJC110
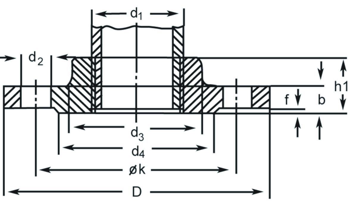
Teknisk data
- Övriga förp.storlekar: 1 ST/300 ST
- Dimension (Nominell diameter): DN 65
- Utvändig rördiameter: 76.7 mm
- Diameter bulthål: 18
- Tryckklass fläns (flänsborrning): PN 16
- Flänstjocklek: 18 mm
- Material: Stål
- Ytterdiameter fläns: 185 mm
- Antal bulthål: 4
- Vikt: 3.03 kg
- Delningscirkel (Pitchcirkel): 145 mm
- d4: 122
- b: 18 mm
- Flänstyp: Gängfläns
- Anslutning gängad fläns: Invändig gänga G, cylindrisk (ISO 228-1)
- Vridet hålmönster: Nej
- Ytskydd: Obehandlad
- Höjd: 32 mm
- D: 185 mm

