Feedback

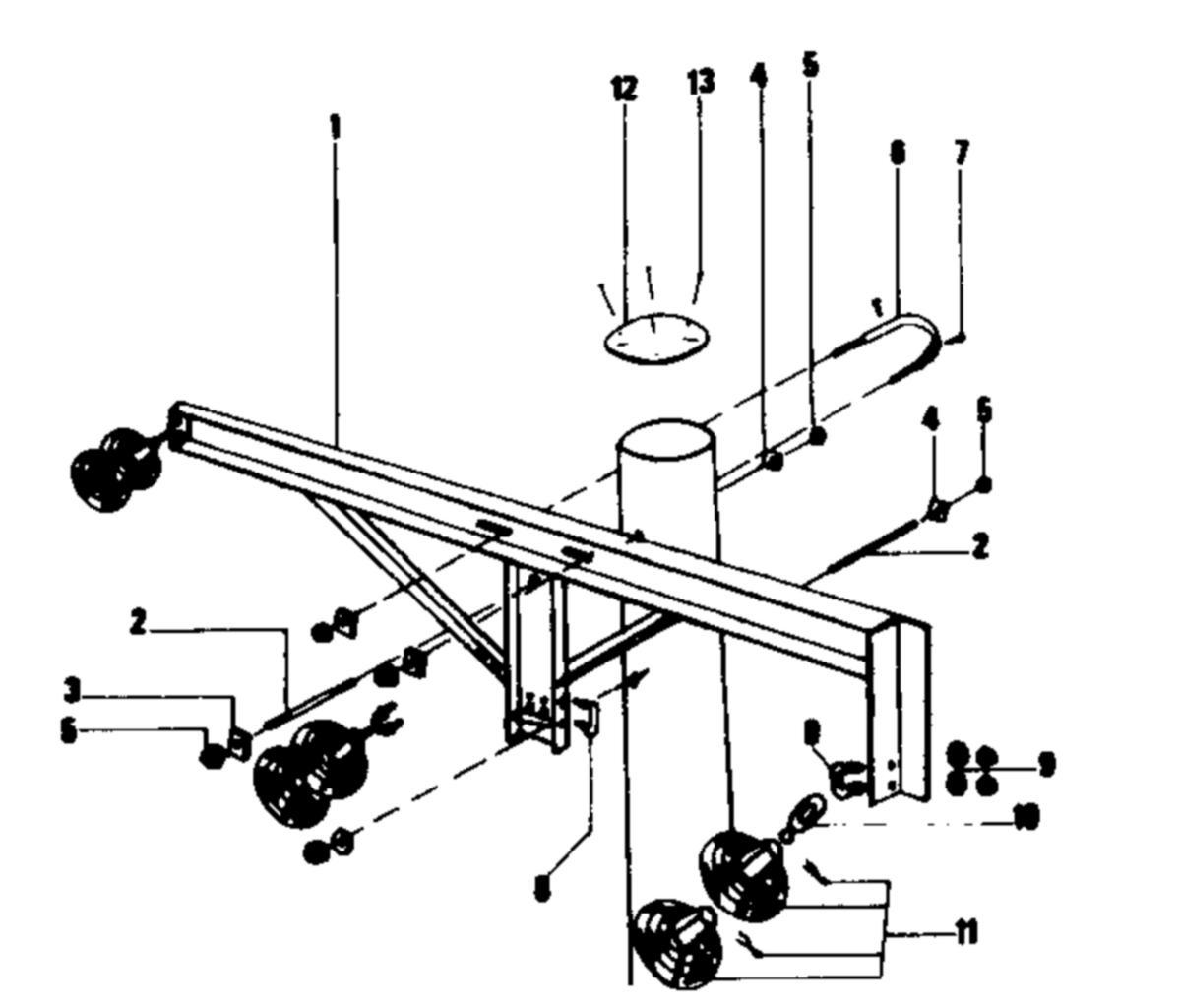
EBR 2127
MTRL-SATS 2127 EXKL.ISOLATOR
Artikelnummer:
0612162
för att se saldo och pris
EBR-konstruktion K5:97: EVA 22/B och EVB 22/B.
*=Kompletteras med isolatorer
Ingående artiklar:
0628087, Regel monterad 2127, pos 1, antal 1
0614809, Regelpåse 2127 FLEX, pos 2-8,14, antal 1
*=Kompletteras med isolatorer
Ingående artiklar:
0628087, Regel monterad 2127, pos 1, antal 1
0614809, Regelpåse 2127 FLEX, pos 2-8,14, antal 1
- Artikelnummer: 0612162
- Materialklass QB991A
Teknisk data