Feedback
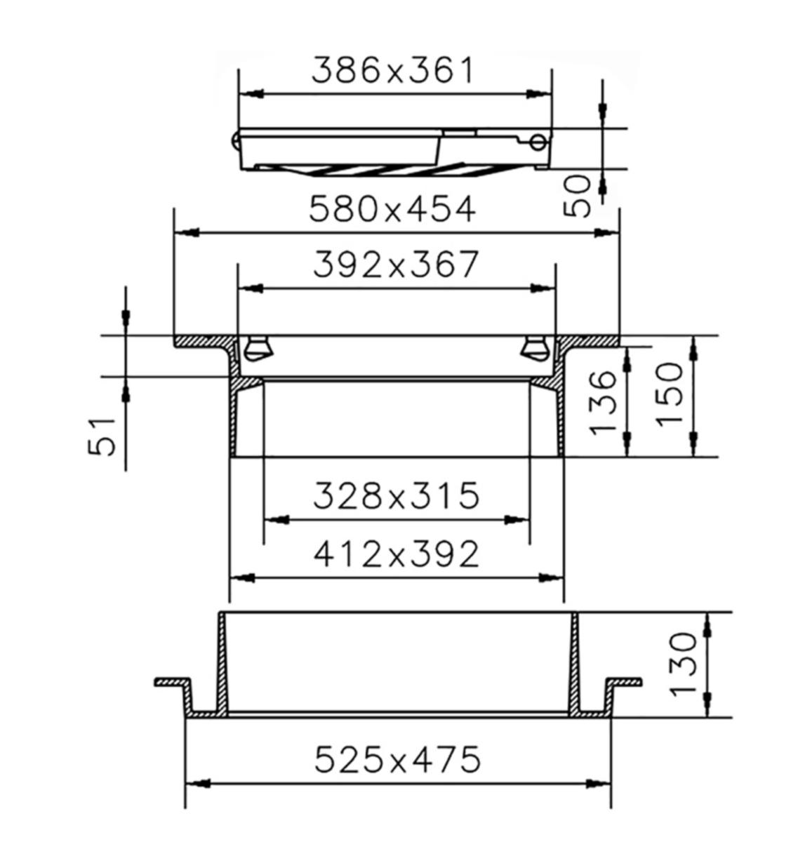
Telescopic covering, complete with grille for roadway inlet with opening 400, A1-3P, hinged, self-locking, 3 point support.
- Article number: 7038119
- Suppl. article no: 5000050341920
- Replaces art.nbr: 7035937
- Material class PMJ120
- This is an alternative to item 7035937
Technical data
- Packagin Size: 1 ST/12 ST
- Dimension: 400 mm
- Model: A1-3P
- Load grid: 400 kN
- Load class: D-400
- Material: Nodular iron, ISO 1083 grade 500-7
- Norm: SS-EN124
- Spring lock: Ja
- Design: Telescopic, complete with grille. Hinges. 3 point stockpile. Inlet area 600 cm²

